产品分类
products
联系黄瓜视频在线下载安装网站免费观看 / contact us
地址:上海市金山区枫泾镇环东一路
邮编:201507
网址:www.zzlongjiejixie.com
销售部
手机:15068285565
电话:021-5648 0189
传真:021-5186 1633
商务QQ:3038069780
QDL不锈钢多级泵
当前位置:首页 > QDL不锈钢多级泵QDL不锈钢多级泵
以下为系列产品选型范围,具体型号参考性能参数表
口径范围 : 40-100(mm)
流量范围 : 5-110(m3/h)
扬程范围 : 6-305(m)
优势:
品牌知名度高、质量可靠、终身维护
常规产品现货供应
订做产品交货及时
QDL不锈钢多级泵是对原有多级泵进行更人性化设计的新一代环保型产品,充分体现了以人为本的理念。其最大特点是自带内循环系统,流体通过内循环系统带走电机热量替代风扇起到冷却作用,同时循环的流体又有效的隔绝了电磁音,从而极大的降低了泵的噪音。
泵采用先进的水力模型设计和耐磨机械密封,过流部件与电机机壳均采用不锈钢材质,避免了二次污染,具有运行平稳,高效,节能,环保,使用维护方便等特点,是理想的供水用泵。
产品范围
| 说明 | CDL8 | CDL16 | CDL20 | CDL32 | CDL42 | CDL65 | CDL85 | ||||||
| 额定流量(m3/h) | 8 | 16 | 20 | 32 | 42 | 65 | 85 | ||||||
| 额定流量(l/s) | 2.2 | 4.4 | 5.6 | 8.9 | 11.7 | 18 | 24 | ||||||
| 流量范围(m3/h) | 5-12 | 8-12 | 10-28 | 16-40 | 25-55 | 30-80 | 50-110 | ||||||
| 流量范围(l/s) | 1.4-3.3 | 2.2-6.1 | 2.8-7.8 | 4.4-11.1 | 6.9-15.3 | 8.3-22.2 | 13.8-30.5 | ||||||
| 最大压力(bar) | 21 | 22 | 23 | 26 | 30 | 22 | 17 | ||||||
| 电机功率(kw) | 5.5-7.5 | 5.5-15 | 5.5-18.5 | 5.5-30 | 5.5-45 | 5.5-45 | 5.5-45 | ||||||
| 温度范围(℃) | -15~+40℃ | ||||||||||||
| 最高效率(%) | 64 | 66 | 69 | 76 | 78 | 80 | 81 | ||||||
| 类型 | |||||||||||||
| CDLF | · | · | · | · | · | · | · | ||||||
| CDLF管路联接 | |||||||||||||
| DIN法兰 | DN40 | DN50 | DN50 | DN65 | DN80 | DN100 | DN100 | ||||||
适用范围
典型应用:
市政供水及增压
生活小区供水及增压
高层建筑给排水
水处理,渗透及过滤系统
空调与制冷系统
其它低噪音水泵应用领城
多级泵适用范围
产品适用于低粘度,清洁,非易燃易爆,不含固体颗粒或纤维的液体。
介质温度:-15~+40℃
流量范围:5~110m3/h
最大压力:30bar
最高环境温度:+40℃
最高海拔:1000m
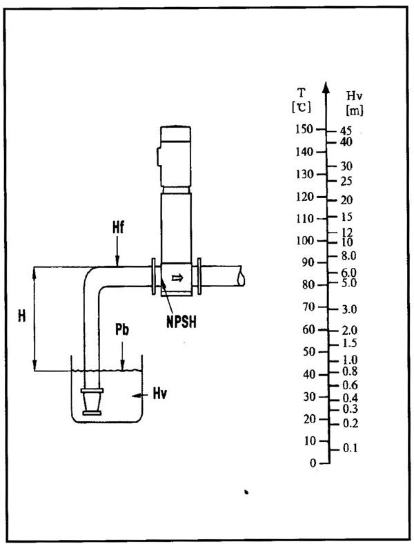
最小进口压力:参照PSH曲线
上一条信息:LG多级离心泵
下一条信息:QDLF轻型多级离心泵
























